- 陜西富平綠華農業開發有限公司
西安美美香食品有限公司
中建食品混凝土西安有限公司
西安飲榮飲品有限公司
西安鼎華慧農生物科技有限公司
西安華迅微電子有限公司
西安海欣制藥有限公司-安康包裝機
西安玉山奶粉廠-安康包裝機
陜西鑫匯源餐飲有限責任公司-安康食品包裝機
陜西長江生物工程責任有限公司
西安康代生物科技有限公司
安康市星原紅酒業有限公司
- 陜西漢力精密機械有限公司-安康包裝機
陜西小松零配件銷售有限公司
陜西坤岳政達有限公司
陜西百年健康藥業有限公司
西安市康盛醫療器械有限公司
西安恩斯凱機電科技有限公司
西安航天動力研究所-安康包裝機
陜西秦寶牧業發展有限公司
安康市馬非馬生態農業發展有限公司
安康晶海餐飲有限公司-安康食品包裝機
晉中華信安康和農林科技有限公司-安康包裝機
安康市金茂生物工程有限公司
包裝機案例
安康包裝機_安康食品包裝機客戶案例
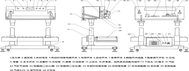
西安鼎華慧農生物科技有限公司是農業部定點水溶肥料生產商,擁有多個國家發明專利,公司定位中國高端有機水溶肥料生產商,提供植物全生育期的葉面培肥和沖施肥料的整體解決方案。F系列氣動塑料薄膜大袋封口機適用于袋長600mm,800mm,1000mm的各種塑料薄膜袋的封口,該機采用電氣和氣動控制,根據包裝袋不同的材質和厚度,選擇適當的熱封電壓,熱封時間和氣壓,適用于單層厚度不超過0.10mm的塑料袋或紙塑復合袋、特殊需求,可選用雙加熱的機型(即在袋口兩側加熱)可熱合單層膜厚度不超過0.20mm的塑料袋,該機可以和各種生產流水線配套使用。
安康包裝機的發展一直以來都得到了很多人的關注,無論在產品的前期還是在產品的未來規劃都做了很好的準備,西安華迅微電子有限公司是由5位在GPS、微電子、通訊、信息產業領域長期在美國從事研發工作的留美博士共同發起創立,是國家重點扶植的高科技企業。星火腳踏氣動封口機根據包裝袋的材質和厚度,選擇熱封時間和熱封電壓,調試過程應由低逐漸調高。熱封時間調試合格,連續熱合數袋后,熱封時間應適當縮短。
廠房展示:
安康包裝機_安康食品包裝機__星火陜西安康包裝機客戶案例
